Vòng bi điều khiển MS27640 RBC
Vòng bi điều khiển MS27640 RBC
RBC cung cấp đầy đủ dòng sản phẩm vòng bi điều khiển khung máy bay cho ngành hàng không vũ trụ. Vòng bi điều khiển khung máy bay RBC phù hợp với SAE-AS7949 (trước đây là MIL-B-7949) và nhiều thông số kỹ thuật chính của OEM. Những vòng bi này có thiết kế nhẹ, chống ăn mòn, bôi trơn bằng mỡ và thường được bịt kín. ĐẠI LÝ RBC
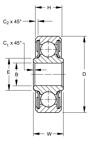
Các vòng và bi ổ trục điều khiển khung máy bay được làm bằng hợp kim ổ trục cứng, AISI 52100, với tất cả các bề mặt lộ ra ngoài, ngoại trừ lỗ ổ trục, nắp và vòng đệm, được mạ để chống ăn mòn.
MS27640 • SAE-AS7949
• Single row, ball, heavy duty
• PTFE seals and CRES sealcaps
• Exposed surfaces except bore, caps, and seals
are cadmium plated
• Prelubricated for life
• Also offered with CRES 440C material and/or
zinc nickel plating per OEM specifications
Thông số kĩ thuật


Một số model Vòng bi điều khiển MS27640
Vòng bi một hàng
- MS27640 KP
- MS27641 Dòng KP-A
- MS27649 AW-AK Series
- MS27645 KSP, KSP-A Series
- MS27642 KP-B
Vòng bi đôi hàng
- MS27644 DPP Dòng sản phẩm nhẹ
- Dòng DPP-W hạng nặng
- MS27643 Dòng DSP
- B5500WZZ Dòng sản phẩm siêu nhẹ
- Dòng MS27647
- DW & GDW Extra Wide, Medium Duty
- Dòng G
- Dòng BCP
- Dòng D
Dòng chính xác
- Dòng MDPP Nhiệm vụ nhẹ, chính xác
- MS27643-R MDSP Series
- Tự căn chỉnh, chịu tải nặng, chính xác
- MS27647-R MDW Series Nhiệm vụ trung bình, chính xác
CÔNG TY TNHH KOMELEK VIỆT NAM – Tự hào là nhà cung cấp chính hãng. Chúng tôi còn cung cấp những sản phẩm chính hãng khác như: Warner Electric, Vikan, VEEGEE Scientific, COMITRONIC-BTI, Jabsco, Balluff,….
Sản phẩm sẵn có tại:
Công ty TNHH Komelek Việt Nam:
Địa chỉ: L17-11, tòa nhà Vincom Center, phường Bến Nghé, quận 1, Tp.Hồ Chí Minh
Điện thoại: 0902 388 793 – 02866 74 74 79
Email: sale1@komelek.vn
Website: https://komelek.vn
Website: https://dynisco-pressure-sensors.com.vn/
Cam kết hoàn tiền nếu sản phẩm không phải chính hãng
English
